| Цена | Negotiable |
| MOQ | 1 |
| Срок поставки | 3 days, depend on the order quantity |
| Бренд | VEIKONG |
| Место происхождения | Китай |
| Certification | CE |
| Номер модели | VFD530 |
| Детали упаковки | Он питает менее 45 кВт, используйте коробку, начиная с 45 кВт, используйте деревянный корпус |
| Условия оплаты | D/A, L/C, T/T, Western Union |
| Способность снабжения | 15000 шт в месяц |
| Brand Name | VEIKONG | Номер модели | VFD530 |
| Certification | CE | Место происхождения | Китай |
| Минимальное количество заказа | 1 | Условия оплаты | D/A, L/C, T/T, Western Union |
| Способность снабжения | 15000 шт в месяц | Срок поставки | 3 дня, зависят от количества заказа |
| Детали упаковки | Он питает менее 45 кВт, используйте коробку, начиная с 45 кВт, используйте деревянный корпус | Название продукта | 0,75 кВт-710 кВт инвертор PMSM |
| Напряжение | 220V/380V | Фаза | одиночная фаза/трехфазный |
| Сообщение | profinet modbus 485 canopen | Частота | 0-2000HZ |
| Цвет | bule и белизна | Бренд | Veikong |
| Оригинал | Китай | Соответствующий мотор | Моторы синхронные и асинхронные |
| Специальная логика | Логика подъема для подъемника или крана | Гарантийный период | 18 месяцев и более |
| Выделять | 220V Асинхронный мотор, асинхронный двигатель 380 В, синхронный мотор 380 В |
220V 380V синхронный и асинхронный двигатель однофазный трехфазный
Синхронный и асинхронный двигатель 0,75 кВт - 710 кВт однофазный трехфазный
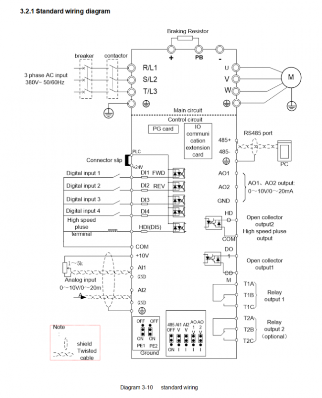
Особенности VFD530:
1, с внутренним EMC фильтром C3 и конструкцией строительного блока для карты расширения IO и различных видов карты PG
2, до 200% загрузочного крутящего момента при 0 Гц. На частоте до 3000 Гц.
3, Поддержка опциональной ЖК- клавиатуры идвойной отображениеКлавиатура. Поддержка ПК-инструментов. Поддержка modbus485, canopen, профинет коммуникации.
4Поддерживать асинхронный и синхронный двигатель.
5, Поддержка 2 PID петли для HVAC
6, Спящая функция и энергосберегающая функция, а также встроенное программирование PLC
7Специальный механизм тормозной логики для крана и подъема, магнитное увеличение тормозного потока
8, Поддержка двух групп параметров двигателя, которые могут реализовать два двигателя переключения управления
VEIKONG горячее продажа VFD
VFD500M - это высокопроизводительный векторный контроллер мини-vfd
VFD500 - высокопроизводительный общий VFD
VFD550 - это высокопроизводительный специальный VFD с позиционным управлением.
VFD530 - это высокопроизводительный специальный VFD с функцией подъема, поддержка 2 PID, поддержка синхронных и асинхронных двигателей
VFD500-PV - это инвертор солнечного насоса.
VFD510 - инвертор IP65
![]()
Технические данные VFD530:
Положение
Спецификация
Ввод
Входное напряжение
1 фаза/3фаза 220В:200В240В
3-фазные 380V-480V:380V480V
Разрешенный диапазон колебаний напряжения
-15% -10%
Частота ввода
50Hz / 60Hz, флуктуация менее 5%
Выпуск
Выходное напряжение
3-фаза: 0 ′ входное напряжение
Мощность перегрузки
Применение общего назначения:60S для 150% номинального тока
Применение легкой нагрузки: 60 с при 120% номинального тока
Контроль
Режим управления
Контроль V/f
Бессенсорное управление вектором потока без карты PG ((SVC)
Управление вектором потока скорости датчиком с помощью карты PG (VC)
Режим работы
Управление скоростью, Управление крутящим моментом ((SVC и VC)
Диапазон скоростей
1Ответственность
1- Сюда.
11000 (VC)
Точность регулирования скорости
± 0,5% (В/ф)
±0,2% (SVC)
± 0,02% (VC)
Скорость ответа
5 Hz ((V/f)
20 Гц ((SVC)
50 Гц ((VC)
диапазон частот
0.00 ¢2000 ¢Hz ((V/f)
0.200.00Гц (SVC)
0- 400 Гц.
Разрешение частоты ввода
Цифровая настройка: 0,01 Гц
Аналоговая настройка: максимальная частота x 0,1%
Начальный момент
150% / 0,5 Гц.
180%/0.25 Гц (SVC)
200%/0Гц (VC)
Точность регулирования крутящего момента
SVC:в пределах 5Hz10%, выше 5Hz5%
ВК:30,0%
Кривая V/f
Тип кривой V / f: прямая линия, многоточечная, функция мощности, разделение V / f;
Поддержка увеличения крутящего момента: автоматическое увеличение крутящего момента (фабричное настройка), ручное увеличение крутящего момента
Рампа для подачи частоты
Поддержка линейного и S-кривой ускорения и замедления;
4 группы времени ускорения и замедления, диапазон настройки 0,00s ~ 60000s
Управление напряжением в одночасовой шине
Контроль за задержкой перенапряжения: ограничение выработки энергии двигателя путем регулирования частоты выхода, чтобы избежать пропуска отказа напряжения;
Контроль задержки низкого напряжения: контролировать потребление энергии двигателя путем регулирования частоты выхода, чтобы избежать сбоя проката
Управление VdcMax: ограничить количество мощности, вырабатываемой двигателем, регулируя частоту выхода, чтобы избежать перенапряжения;
Управление VdcMin: Управление энергопотреблением двигателя путем регулирования частоты выхода, чтобы избежать ошибки под напряжением прыжка
Частота носителя
1 кГц12 кГц ((В зависимости от типа)
Способ запуска
Прямой старт (может быть наложен на постоянный тормоз); старт с отслеживанием скорости
Способ остановки
Остановка замедления (можно наложить торможение постоянного тока); свободное остановка
Функция главного управления
Управление ходьбой, управление падением, до 16-скоростной работы, избегание опасной скорости, управление частотой колебания, переключение времени ускорения и замедления, разделение VF, торможение сверхвозбуждения,управление PID процесса, функция сна и пробуждения, встроенная простая логика ПЛК, виртуальные терминалы ввода и вывода, встроенный блок задержки, встроенный блок сравнения и логический блок, резервная копия и восстановление параметров,Идеальная запись ошибок,рестартировка ошибки, две группы параметров двигателя, свободное переключение, программное обеспечение обмена выходной проводки, терминалы Вверх / Вниз
Функция
Клавиатура
LED Цифровая клавиатура и ЖК-клавиатура ((опционально)
Коммуникация
Стандарт:
Коммуникация MODBUS
Может открываться и профинироваться (в разработке)
Карта PG
Карта интерфейса дополнительного кодера (дифференциальный выход и открытый коллектор), карта вращающегося трансформатора
Терминал ввода
Стандарт:
5 цифровых терминалов ввода, один из которых поддерживает высокоскоростной импульс до 50 кГц;
2 аналоговых входных терминала, поддерживающие вход напряжения 0 ~ 10В или вход тока 0 ~ 20mA;
Карта опциона:
4 цифровых терминала ввода
2 аналоговых терминала ввода.поддержка ввода напряжения 10V-+10V
Выходной терминал
стандарт:
1 цифровой выходный терминал;
1 высокоскоростной импульсный выходный терминал (открытый тип коллектора), поддерживающий выход квадратного волнового сигнала 0 ~ 50 кГц;
1 выходный терминал реле ((второе реле является опциональным)
2 аналоговых выходных терминала, поддерживающие выход 0 ~ 20mA тока или выход 0 ~ 10V напряжения;
Карта опциона: 4 цифровых терминала вывода
Защита
См. главу 6 "Устранение неполадок и противодействия" для функции защиты.
Экология
Место установки
В помещениях не допускается прямые солнечные лучи, пыль, коррозионные газы, горючий газ, нефтяной дым, пары, капли или соль.
Высота
0-3000 м. Инвертор будет снижен, если высота выше 1000 м, а номинальный выходный ток уменьшится на 1% при увеличении высоты на 100 м
Температура окружающей среды
-10°C~+40°C,максимально 50°C (уменьшается, если температура окружающей среды находится между 40°C и 50°C) Номинальный выходный ток уменьшается на 1,5% при повышении температуры на 1°C
Влажность
менее 95% RH, без конденсации
Вибрация
менее 5,9 м/с2 (0,6 г)
Температура хранения
-20°C ~ +60°C
Прочие
Установка
Стенные шкафы с подъемным управлением, трансмуральные
Уровень защиты
IP20
метод охлаждения
Принудительное охлаждение воздухом
ЭМК
CE ROHS
Внутренний фильтр EMC
Соответствует EN61800-3
Категория C3
Третье окружающая среда
Инструкция по серии продукции:
Модель
Силовая мощность
(KVA)
Входной ток
(А)
Выходной ток (A)
Адаптивный двигатель
(КВт)
Размер
Тормозная установка
Тяжелая нагрузка.
Легкая нагрузка.
Трехфазный: 380-480В,50/60Гц
VFD530-R75GT4B
1.5
3.4
2.5
4.2
0.75
Размер A
Внутренние
VFD530-1R5GT4B
3
5
4.2
5.6
1.5
VFD530-2R2GT4B
4
5.8
5.6
9.4
2.2
VFD530-4R0G/5R5PT4B
5.9
10.5
9.4
13.0
3.7
VFD530-5R5G/7R5PT4B
8.9
14.6
13.0
17.0
5.5
Размер B
VFD530-7R5G/011PT4B
11
20.5
17.0
23.0
7.5
VFD530-011G/015PT4B
17
26.0
25.0
31.0
11
Размер C
Внутренние
VFD530-015G/018PT4B
21
35.0
32.0
37.0
15
VFD530-018G/022PT4B
24
38.5
37.0
45.0
18.5
Размер D
VFD530-022G/030PT4B
30
46.5
45.0
57.0
22
VFD530-030G/037PT4
40
62.0
60.0
75.0
30
Размер E
вариант
VFD530-037G/045PT4
50
76.0
75.0
87.0
37
VFD530-045G/055PT4
60
92.0
90.0
110.0
45
Размер F
VFD530-055G/075PT4
75
113.0
110.0
135.0
55
VFD530-075G/090PT4
104
157.0
152.0
165.0
75
Размер G
VFD530-090G/110PT4
112
170.0
176.0
210.0
90
Внешний
VFD530-110G/132PT4
145
220.0
210.0
253.0
110
Размер H
VFD530-132G/160PT4
170
258.0
253.0
304.0
132
Размер I
VFD530-160G/185PT4
210
320.0
304.0
360.0
160
VFD530-185G/200PT4
245
372.0
360.0
380.0
185
Размер J
VFD530-200G/220PT4
250
380.0
380.0
426.0
200
VFD530-220G/250PT4
280
425.0
426.0
465.0
220
Размер K
VFD530-250G/280PT4
315
479.0
465.0
520.0
250
VFD530-280G/315PT4
350
532.0
520.0
585.0
280
Размер L
VFD530-315G/355PT4
385
585.0
585.0
650.0
315
VFD530-355G/400PT4
420
638.0
650.0
725.0
355
Размер M
VFD530-400G/450PT4
470
714.0
725.0
820.0
400
VFD530-450G/500PT4
530
800.0
820.0
/
450
Размер N
VFD530-500G/560PT4
580
880.0
900.0
/
500
VFD530-560G/630PT4
630
950.0
980.0
/
560
Размер О
VFD530-630GT4
710
1080
1120.
/
630
Размер О
VFD530-710GT4
790
1200
1260
/
710
Размер О
Однофазный: 220 В, 50/60 Гц.
VFD530-R40GS2
1.3
6.0
3.2
5.6
0.4
Размер A
Встроенный
VFD530-R75GS2
2.4
11.0
5.6
8.0
0.75
Размер A
VFD530-1R5GS2
3.5
15.0
8.0
10.6
1.5
Размер A
VFD530-2R2GS2
5.5
25.0
10.6
14.0
2.2
Размер A
VFD530-4R0GS2
7.7
35.0
17.0
23.0
4.0
Размер B
VFD530-5R5GS2
8.9
53.0
25.0
31.0
5.5
Размер C
VFD530-7R5GS2
11
67.0
32.0
37.0
7.5
Размер C
![]()



